網站首頁
公司概況
公司簡介
企業文化
廠容廠貌
資質榮譽
組織架構
集團(tuán)成員
山東泰展機電科技股份有限公司
山(shān)東(dōng)泰展威瑪電機(jī)有限(xiàn)公司
產品展示
汽車底盤懸架係(xì)統
汽車(chē)燃油蒸發係統
汽車製(zhì)動係統
伺服電(diàn)機(jī)
企業動態
企業新聞
產品(pǐn)研發
人才招聘
聯係我們
English
English
T1係列伺服電機
網站首頁
威瑪電機產品
T1係(xì)列伺服電(diàn)機
返回
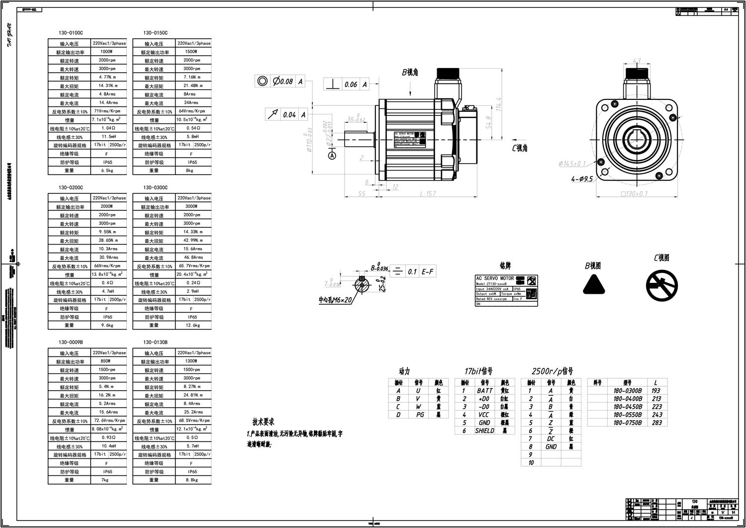
130伺(sì)服電(diàn)機
2021/06/01
電機130型號(hào)規格
沒有了
下一篇
色蜂视频-色蜂视频app-色蜂视频官网版下载-色蜂视频老旧版本大全